Suzuki GSX-R e848 K2

Themen die sonst nirgendwo rein passen.
Rovi
Beiträge: 762
Registriert: Fr 5. Mai 2017, 08:39
Postleitzahl: 96114
Motorrad Scooter: GSXR e1000

Re: Suzuki GSX-R e848 K2

Beitrag von Rovi » Di 30. Jun 2020, 13:17

Gas, Wasser, Schei.e lässt grüßen ....

Und das schöne ...ich musste dafür nicht mal die luftige Tankattrappe abnehmen.
Wasserpumpenzange und 22er Schlüssel haben mich dabei unterstützt.
Die Bögen habe ich deshalb verwendet, da ich nun dort drüber noch eine kleine Box für die Technik installieren kann
und es sieht einfach schöner aus, wenn die Anschlussschläuche nicht erst nach oben mit einem Bogen nach unten laufen.

Bremsleitung für hinten habe ich auch schon mal ausgemessen: 230cm :D
Dateianhänge
IMG_1644.JPG
IMG_1651.JPG

Rovi
Beiträge: 762
Registriert: Fr 5. Mai 2017, 08:39
Postleitzahl: 96114
Motorrad Scooter: GSXR e1000

Re: Suzuki GSX-R e848 K2

Beitrag von Rovi » Do 2. Jul 2020, 06:58

Habe schon mal mit der Rückführung (Wasserkreislauf) von Motor und Regler begonnen und eine Liste erstellt was mir noch fehlt.
Wenn alles klappt, dann kann ich diesen Teil am Samstag abschließen.
Dann folgt der kompliziertere Teil: Vom Wasserkühler zu den zwei Peltier-Kühlern über die zwei Pumpen zum Regler und zum Motor.
Wasserkühlerausgang: 25mm Durchmesser
Peltierkühler: 4x 10mm Durchmesser(2 Eingänge/2 Ausgänge)
Pumpen: 19mm
Regler: 13mm
Motor: 19mm
Dateianhänge
IMG_1659.JPG

Benutzeravatar
Benno
Beiträge: 1955
Registriert: Mo 15. Feb 2016, 11:29
Postleitzahl: 48249
Motorrad Scooter: C 650 GT 2020
Wohnort: Dülmen

Re: Suzuki GSX-R e848 K2

Beitrag von Benno » Do 2. Jul 2020, 12:09

Das ist ein wildes Durcheinander von Querschnitten und damit auch von Durchflussgeschwindigkeiten und -mengen. Bei Dauerbetrieb wäre mir dabei nicht wohl.

Abgesehen davon ist das mechanisch auch noch ein hoher Aufwand.
---------------------------------
Grüße aus dem Münsterland
Benno aus Dülmen

Rovi
Beiträge: 762
Registriert: Fr 5. Mai 2017, 08:39
Postleitzahl: 96114
Motorrad Scooter: GSXR e1000

Re: Suzuki GSX-R e848 K2

Beitrag von Rovi » Fr 3. Jul 2020, 06:38

Hallo Benno,
ja, da gebe ich dir recht, aber für Dauerbetrieb ist das Bike ja nicht ausgelegt.
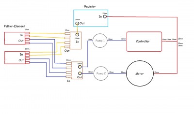
Mir geht es nur darum das Wasser vor einem Lauf auf etwa 7-10 °C herunter zu kühlen, was mir mehr Stromdurchfluss für eine etwas längere Zeit zulässt. Der Regler begrenzt ihn ja automatisch sobald Schwellwerte, wie 25°C, 40°C, 70°C, usw. erreicht werden. Die Thyristoren sind Temperatur überwacht. Anbei mal ein Bild von den verschieden Querschnitten im Kühlkreislaufsystem.
Wenn jemand wie BMW etc. ein Bike plant, dann werden mit Sicherheit die Querschnitte so gewählt, das nicht so viele Unterschiede entstehen.
Aber ich muss mich halt mit den Teilen, out of the shelf, begnügen.
Die Peltier-Elemente sind mit 576W/Gerät angegeben, sprich 1 kW Kühlleistung (etwa 100A bei 12V), das würde kein Hersteller der Welt einbauen, da dadurch ja die Reichweite vom Bike leiden würde. Ich plane dafür ein 16,8Ah Akku (30C), den ich per Relais zuschalten möchte.
Dateianhänge
Kühlwasserkreislauf.jpg

Rovi
Beiträge: 762
Registriert: Fr 5. Mai 2017, 08:39
Postleitzahl: 96114
Motorrad Scooter: GSXR e1000

Re: Suzuki GSX-R e848 K2

Beitrag von Rovi » Mo 6. Jul 2020, 06:27

Kühlwasserrückführung ist fertig.
Einlass von Pumpe bis Regler ist ebenfalls fertig
Dateianhänge
IMG_1715.JPG

Rovi
Beiträge: 762
Registriert: Fr 5. Mai 2017, 08:39
Postleitzahl: 96114
Motorrad Scooter: GSXR e1000

Re: Suzuki GSX-R e848 K2

Beitrag von Rovi » Di 7. Jul 2020, 06:26

Mal die Peltier-Elemente mittels ztwei Stahlbandschellen befestigt, wo ich sie mir vorstelle ...
Dateianhänge
IMG_1736.JPG

Rovi
Beiträge: 762
Registriert: Fr 5. Mai 2017, 08:39
Postleitzahl: 96114
Motorrad Scooter: GSXR e1000

Re: Suzuki GSX-R e848 K2

Beitrag von Rovi » Mi 8. Jul 2020, 07:37

Die Pumpe für den Motor Zulauf positioniert
IMG_1739.JPG
Hier habe ich die Wasseranschlüsse am Motor (Eingang/Ausgang) wieder umgedreht und den Rückführungsschlauch nochmals gekürzt.

Rovi
Beiträge: 762
Registriert: Fr 5. Mai 2017, 08:39
Postleitzahl: 96114
Motorrad Scooter: GSXR e1000

Re: Suzuki GSX-R e848 K2

Beitrag von Rovi » Do 9. Jul 2020, 06:52

Mal ein Peltierelement positioniert ...
Dateianhänge
IMG_1676.JPG

Rovi
Beiträge: 762
Registriert: Fr 5. Mai 2017, 08:39
Postleitzahl: 96114
Motorrad Scooter: GSXR e1000

Re: Suzuki GSX-R e848 K2

Beitrag von Rovi » Fr 10. Jul 2020, 11:22

... und mit der Plusleitung für die Batterie begonnen ...
Dateianhänge
IMG_1746b.jpg
IMG_1745b.jpg
IMG_1742_klein.jpg

Benutzeravatar
Benno
Beiträge: 1955
Registriert: Mo 15. Feb 2016, 11:29
Postleitzahl: 48249
Motorrad Scooter: C 650 GT 2020
Wohnort: Dülmen

Re: Suzuki GSX-R e848 K2

Beitrag von Benno » Fr 10. Jul 2020, 16:32

Wieviel Ampère fließen da maximal? Und wie lange?
---------------------------------
Grüße aus dem Münsterland
Benno aus Dülmen

Antworten