Beitrag
von Rovi » Fr 3. Jul 2020, 06:38
Hallo Benno,
ja, da gebe ich dir recht, aber für Dauerbetrieb ist das Bike ja nicht ausgelegt.
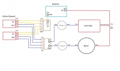
Mir geht es nur darum das Wasser vor einem Lauf auf etwa 7-10 °C herunter zu kühlen, was mir mehr Stromdurchfluss für eine etwas längere Zeit zulässt. Der Regler begrenzt ihn ja automatisch sobald Schwellwerte, wie 25°C, 40°C, 70°C, usw. erreicht werden. Die Thyristoren sind Temperatur überwacht. Anbei mal ein Bild von den verschieden Querschnitten im Kühlkreislaufsystem.
Wenn jemand wie BMW etc. ein Bike plant, dann werden mit Sicherheit die Querschnitte so gewählt, das nicht so viele Unterschiede entstehen.
Aber ich muss mich halt mit den Teilen, out of the shelf, begnügen.
Die Peltier-Elemente sind mit 576W/Gerät angegeben, sprich 1 kW Kühlleistung (etwa 100A bei 12V), das würde kein Hersteller der Welt einbauen, da dadurch ja die Reichweite vom Bike leiden würde. Ich plane dafür ein 16,8Ah Akku (30C), den ich per Relais zuschalten möchte.
-
Dateianhänge
-
